JXF吉祥坊
Search
Menu
走进JXF吉祥坊
产品中心
核心竞争力
Menu
省级检测
先进工艺
单泵设计
生产基地
节能改造
工程案例
新闻资讯
联系JXF吉祥坊
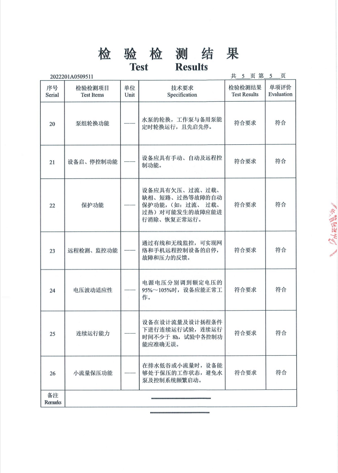
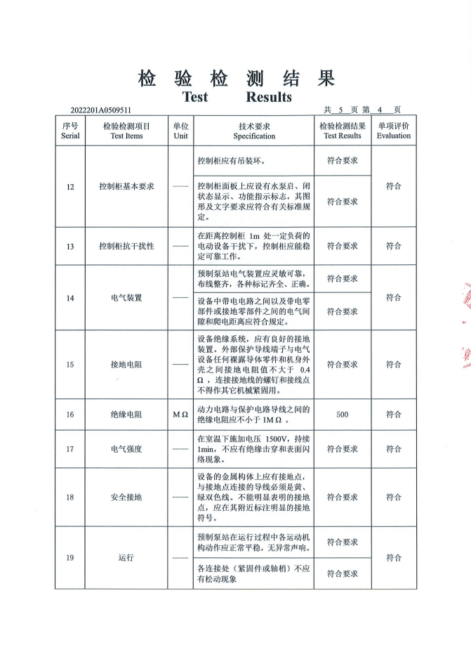
一体化轴流泵站检测报告
2022-10-17
来源: 原创
2646
上一篇:没有了;
下一篇:
一体化泵站检测报告
友情链接
走进JXF吉祥坊
关于JXF吉祥坊
企业文化
发展历程
企业实力
人力资源
社会责任
产品中心
展厅
潜水轴(混)流泵
全贯流泵/闸门泵
单(双)向贯流泵
永磁防汛泵/泵车
一体化泵闸
闸门/启闭机
一体化轴流泵站
一体化泵站
一体化智慧泵船
工程案例
潜水排污泵安装
潜水轴流泵安装
雪橇泵安装
一体化轴流泵站安装
一体化泵闸
联系JXF吉祥坊
在线留言
联系JXF吉祥坊
版权所有:江苏JXF吉祥坊泵业有限公司-生产单向/双向潜水贯流泵、立式/雪橇式潜水混流泵、潜水轴流泵厂家